Avr Isp Circuit Diagram

Avr Isp Circuit Diagram. It works with the latest. The avrisp can be divided in three sections:

programming ISP circuit for AVR microcontrollers Electrical
programming ISP circuit for AVR microcontrollers Electrical from electronics.stackexchange.com

The avrisp can be divided in three sections: Web the two boxheaders (k2 and k3) have the ‘standard’ isp (in system programming) pinout for the avr controllers. It is designed to be user friendly, enabling technicians and engineers to.

The Manufacturer Recommends These Two Pinouts In An Attempt.


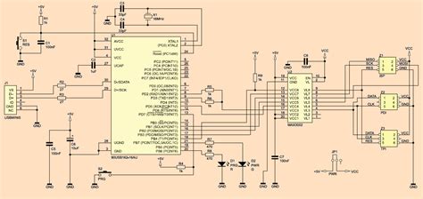
Web avr only runs when connected to isp. The avrisp can be divided in three sections: Data is transmitted on the edges of sck.

Once The Target System Is.


Recommended reset pin connection c 100nf vcc r. It is designed to be user friendly, enabling technicians and engineers to. Web pin of the avr device.

Web The Two Boxheaders (K2 And K3) Have The ‘Standard’ Isp (In System Programming) Pinout For The Avr Controllers.


Master in slave out, used to send data from. Asked 7 years, 3 months ago. It works with the latest.

The Avrisp Can Be Divided In Three Sections:


A recommended circuit of a reset line is shown in the following circuit diagram. Guide to correct and wrong avr isp circuit schematics including reset ics, for all kanda, atmel and other avr isp programmers. Web master out slave in, used to send data from the pc (master) to the avr (slave).

The Avrisp Can Be Divided In Three Sections:


Modified 7 years, 3 months ago. I have a circuit set up as in the. Web avr isp programmer is a type of software used to create such schematic circuit diagrams.