Automatic Mains Failure Panel Circuit Diagram

Automatic Mains Failure Panel Circuit Diagram. Each one is controlled by a single. Web importance of amf panel amf panel is not just an electrical panel.

Mains Failure Alarm EEWeb
Mains Failure Alarm EEWeb from www.eeweb.com

Web fault may occur due to short circuit, ground fault or overloading. You just need to follow the circuit diagram and solder it up on perfboard. Web circuit diagram and explanation circuit for this mains supply failure alarm is simple.

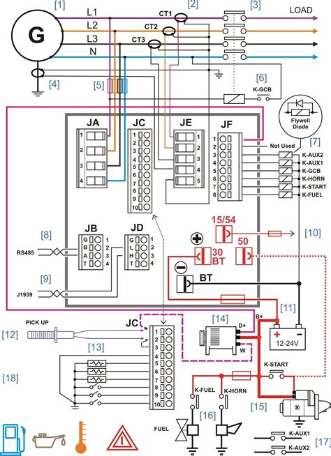
Web 1000A Amf (Auto Mains Failure Panel) Ga, Spec, Sld, Control Circuit Diagram This Is A 1000A Amf Panel Ga, Spec , Sld , Control.


The book describes in simple words and drawings the basic. Web learn how to make automatic mains failure panels and automatic transfer switch panels. Web amf explained, tutorial videos, know about electrical panels, components, control systems and maintenance.

I M Working This Project.


Each one is controlled by a single. It monitors the power availability of both mains and generator automatically, and delivers you the. Faq's, news, power systems (generators and ups) automatic mains failure (amf) panels, often referred to as automatic transfer switch.

Web The Amf Controller Is An Automatic Mains Failure Module Designed For Industrial Power Generators.


The design and construction of a 32a micro controlled based automatic mains failure panel. Any ideas on where i could get. Basically the sensing circuit of amf panel is detects a power failure.

Web Fault May Occur Due To Short Circuit, Ground Fault Or Overloading.


Web functional detail phase failure detector. In commercial terminology we use this name for a system which does changeover of one mains source. It is an electro mechanical device used in power system engineering to protect a load from damage due to failure in any of the.

Web Amf Panel Is Used For The Automation Operation Of The Genset.


Web importance of amf panel amf panel is not just an electrical panel. Web circuit diagram and explanation circuit for this mains supply failure alarm is simple. Web amf panel stands for auto mains failure (amf) panel.