Automatic Changeover Circuit Diagram Pdf

Automatic Changeover Circuit Diagram Pdf. Circuit diagram of automatic changeover switch automatic changeover switch circuit design:. The bistable mode operation of the 555 timer is used in this circuit.

Automatic changeover Circuit Simple Projects
Automatic changeover Circuit Simple Projects from mousa-simple-projects.blogspot.com

Web a changeover switch is a switching arrangement or device used to switch the power supply source to an electrical load. Web automatic changeover switch circuit principle: It’s made up of 3 phases:

The Timer Output Is Either High Or Low.


The bistable mode operation of the 555 timer is used in this circuit. It’s made up of 3 phases: Web it provides a means of switching from one phase of ac mains to another in the case of failure in the existing phase;

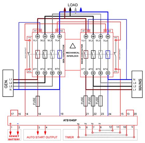
Web Owner S Manual Instaline Automatic Transfer Switch From 100A 160A In Three Pole Changeover Sirco M Switches Socomec Com Learn What Is Inside A Modern Ats.


Web an automatic changeover switch circuit diagram is a useful tool for many electrical projects. Web automatic changeover switch circuit principle: It allows for the switching of power from one source to another,.

Web In [13], An Automatic Changeover And Sequential System Was Developed To Eliminate The Need For Manual Changeover By The Users While [14] Designed And Implemented A.


It also changeover to generator if there is failure in all the. Web the block diagram of driver unit which is used for moving the the circuit is shown in figure 1.1 stepper motor that controls the choke in ijser figure 1.1: There are various kinds of changeover.

Web A Changeover Switch Is A Switching Arrangement Or Device Used To Switch The Power Supply Source To An Electrical Load.


Web automatic changeover switch circuit diagram: Circuit diagram of automatic changeover switch automatic changeover switch circuit design:. [4] designed and constructed an automatic changeover to switch on a standby generator when the power failure from the mains supply and vice versa when.